Зміст статті
- 1 Типи каналізації приватного будинку
- 2 Облаштування внутрішньої каналізації
- 3 Облаштування зовнішньої каналізації
- 3.1 Будівництво септика
- 3.2 Зведення трубопроводу
- 4 Вибір каналізаційного колодязя
- 5 Розводка каналізації в 2-поверховому будинку
- 6 Глибина закладання каналізаційних труб
- 7 Відео
Власники недавно побудованих приватних будинків завжди стикаються з наступним питанням: який тип каналізації краще віддати перевагу? Звичайно, час «сільських» дерев’яних туалетів давно минуло, люди хочуть комфорту. Замовляти септик під ключ сьогодні досить накладно: його облаштування обійдеться мінімум в 2000$-3000$, що досить накладно. Тому багато хто прагнуть зробити каналізацію своїми руками.
Типи каналізації приватного будинку
По функціональності і призначенню каналізація може підрозділятися тільки на 2 види:
Існує кілька типів каналізації, встановлюються в приватних будинках
А ось за своїм типом вона поділяється на 3 види:
- зливна (вигрібна) яма;
- колодязі фільтрації;
- септик.
Про переваги і недоліки звичайної зливної ями говорити і якщо варто, то тільки коротко. Плюси — це просто надзвичайна простота «монтажу» та дешевизна. Мінуси — це постійний сморід і наявність різноманітних мікробів. Під вигрібною ямою мається на увазі не просто сама яма, а ще й класичний «сільський» туалет: варто подбати про своє здоров’я і вибрати кращий тип каналізації.
Колодязі фільтрації — це оптимальний варіант по співвідношенню якості і ціни. Така каналізація монтується з декількох бетонних кілець, монтувати впритул один з одним (за типом традиційного колодязя, однак самі кільця розташовані не вертикально, а по горизонталі). Дно і стики кілець з землею зазвичай засипають гравієм і щебенем. От тільки ні в якому випадку для цих цілей можна використовувати керамзит: він дуже сильно вбирає вологу.
Схематичне зображення пристрою каналізації з бетонних кілець
Септик — самий кращий, але дорожчий варіант. По суті, система фільтраційних колодязів — суть є той же самий септик, тільки коштує в рази дешевше. Правда, в септику часто встановлюють відразу і біологічні та механічні фільтри очищення, так що про ефективність цих двох каналізаційних систем можна сперечатися досить довго.
Облаштування внутрішньої каналізації
Під внутрішньою каналізацією розуміються всі ті санітарно-гігієнічні вузли, які знаходяться в житловому будинку, а також комунікації підведені до них і також знаходяться безпосередньо в самому житлі.
Зокрема, до них можна віднести унітази, ванни, мийки, стічні труби та інші компоненти. З технологічної точки зору облаштування такої каналізації — найбільш складне. Послідовність створення схеми внутрішньої каналізації:
Облаштувати внутрішню каналізацію іноді складніше, ніж зовнішню
Сьогодні зазвичай для внутрішньої каналізації використовуються труби з поліпропілену або полівінілхлориду. Їх діаметр найчастіше становить 110 міліметрів, проте іноді він може становити і 40-50 міліметрів, якщо у великій пропускній спроможності каналізаційної системи немає ніякої необхідності.
Приблизна схема облаштування внутрішньої каналізації
В цілому ж, всі ці критерії треба обов’язково враховувати при складанні плану (або стежити за тим, щоб на це звертали увагу в проектних і архітектурних бюро).
Облаштування зовнішньої каналізації
Будівництво септика
Зовнішня автономна каналізація має набагато більшу довжину, ніж внутрішня, хоча з конструкторської точки зору вона набагато простіша, ніж внутрішня. Головний вузол у зовнішньої каналізації — септик.
Його споруда здійснюється в кілька етапів:
Пристрій бетонного септика в розрізі
Аэрационное поле призначене для фільтрації стоків і усунення запаху
Діаметр кільця безпосередньо залежить від кількості проживаючих у будинку людей, чим їх більше — тим більший і діаметр каналізаційних колодязів. Можна навести приклад: якщо в будинку постійно проживають 4 людини, то достатньо буде купити 3 бетонних кільця діаметром 1,5 метра і висотою в 1 метр (діаметр і глибина ями — на 10% більше, ніж діаметр і висота колодязя). Для дачі вистачить і 2 кілець.
Зведення трубопроводу
Трубопровід звести набагато легше, ніж септик. Труби краще всього вибирати пластикові ПВХ. Бажано, щоб глибина їх залягання не перевищувала одного метра, так після відмітки в 1,20 метра вона однозначно буде змінювати свій кут, а цього допустити не можна (на неї буде тиснути шар почвогрунта).
Для каналізації краще віддати перевагу пластикові труби
Сама труба повинна мати мінімальний кут відхилення, або кут, рівний 45°. Справа в тому що різні нерівності і кутові вигини труби будуть сприяти затіканню («запору») труб на деяких ділянках, де нечистоти будуть накопичуватися.
Вибір каналізаційного колодязя
Каналізаційні колодязі можуть поділятися на такі види:
Про фурнітуру і комплектуючі для колодязів теж забувати не варто
- перепадные;
- оглядові;
- накопичувальні (підійдуть туди, де грунтові води дуже близько до поверхні);
- поворотні (з них легше відкачати нечистоти);
- фільтруючі.
Перепадные колодязі — найбільш поширені і популярні. Там же каналізація без необхідності подальшого відкачування монтується як раз з них (хоча деякі умільці роблять її навіть з покришок).
При виборі колодязів треба звертати увагу на наступне:
- діаметр (зазвичай вона варіюється від 900 до 1200 мм, вибирається в залежності від необхідної потужності, яка повинна володіти каналізаційна система);
- матеріал (бетон, залізобетон або поліетилен).
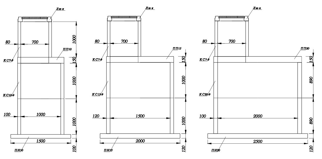
Креслення системи каналізації з трьох бетонних колодязів із зазначенням розмірів
Розводка каналізації в 2-поверховому будинку
Каналізаційна розводка в одноповерховій будівлі — справа куди більш просте, ніж в багатоповерховому. Тому варто розглянути приклад її укладання в 2-поверховій будівлі. Для внутрішньої каналізації зазвичай використовують ПВХ труби діаметром 100 і 50 сантиметрів (про фітинги, трійники і коліна теж забувати не варто).
У двоповерховому будинку зробити розводку каналізації — досить складне завдання
Всі горизонтальні труби в житловому будинку обов’язково повинні йти під ухилом від 2 до 15 сантиметрів на один погонний метр. Повороти будуть надійнішими, якщо коліна будуть йти під кутом в 45° (у разі, якщо їх 2) або 30° (якщо їх 3).
Найпоширеніша помилка домовласників — це використання одного коліна, розташованого під кутом в 90°. Так робити категорично не можна, адже рано чи пізно вода застоїться, що призведе до прориву труби. В цьому випадку дійсно актуальна народна приказка, яка говорить, що краще перепильнувати, ніж недобдеть.
Єдиний санітарний вузол, який підключається до стояка окремо — це Його Величність унітаз. Всі інші санітарно-технічні вузли завжди і за будь-яких обставин підключаються вище і не від стояка, а за допомогою трубопроводів.
Приблизна схема розташування каналізаційних вузлів в будинку з 2-х поверхів
Глибина закладання каналізаційних труб
Фактори, які впливають на глибину закладки:
- глибина промерзання грунту (найбільш важливий фактор);
- технічні властивості матеріалів та їх експлуатаційні характеристики;
- глибина;
- рельєф місцевості;
- максимальна динамічна навантаження (провести деякі труби під шаром грунту можна).
Як вже було зазначено вище, найбільш важливий фактор — це глибина промерзання. Справа в тому, що зовнішній трубопровід повинен йти з мінімальним ухилом, а якщо глибина його залягання більше 1,2 метрів — він неухильно буде мати кутові відхилення.
Карта максимального промерзання грунтів на території Росії
Якщо будинок знаходиться в досить холодної кліматичної місцевості (або крайній північ або внутрішні регіони Росії з різко континентальним кліматом), труби для каналізації доведеться закладати на глибину більше 2 метрів. Це дуже складний з технічної точки зору процес. Тому поселяйтеся там, де тепліше — в Сочі або Краснодарі.? Жарт. Але з часткою правди.
Відео
Можете подивитися відео про те, як правильно облаштовувати каналізацію з бетонних кілець в приватному будинку.
Креслення системи каналізації з трьох бетонних колодязів із зазначенням розмірів

