Сучасний рівень розвитку техніки дозволяє без особливих зусиль створити ефективну систему опалення в приватному будинку. Втім, при виборі краще звертати увагу не на рекламні проспекти або «рекомендації» в інтернеті, до яких доклали руку маркетологи виробників, а практичний досвід людей, що встановили систему опалення з використанням двоконтурного газового котла самостійно. По суті, це невеликий пристрій, монтирующееся на стіну, що дозволяє одночасно і опалювати приміщення, і нагрівати воду для використання в побуті.
Пристрій і характеристики газових настінних двоконтурних котлів
Зміст статті
- 1 Пристрій і характеристики газових настінних двоконтурних котлів
- 2 Критерії вибору котла
- 2.1 Потужність
- 2.2 Тип димоходу
- 2.3 Виробник
- 2.4 Блок автоматичного управління
- 3 Пропозицію котлів на ринку та їх вартість
- 4 Відео
Зовні виглядає акуратно і красиво: краще, ніж одноконтурний: візуально він нічим не відрізняється від звичайної кухонної шафки. Всі необхідні агрегати і основні вузли поміщаються всередині цього «шкафика»: залишається лише підключити його до централізованої системи газозабезпечення. Їх переваги можна охарактеризувати наступним чином:
- один агрегат виконує відразу ж 2 завдання — це обігрів житлового приміщення та підігрів води;
- значно скорочуються витрати на комунальні послуги, так як холодна вода коштує в кілька разів дешевше, ніж гаряча (сам по собі сторонній підігрів води коштує дуже дорого);
- повна безпека обладнання (ще не було жодного випадку, щоб двохконтурні побутові котли вибухали з причини надмірного тиску);
- відносна дешевизна такої системи (якщо порівнювати з іншими пристроями автономне опалення та підігрів води);
- система — повністю автоматизована (людині треба лише стежити за тим, щоб вона працювала без всіляких збоїв, інструкція в цьому допоможе).
Внутрішнє пристрій газового настінного двоконтурного котла
Критерії вибору котла
Потужність
Потужність — найбільш важливий критерій. При її розрахунку треба враховувати наступні параметри:
- площа приміщення;
- тип склопакетів в приміщенні (одинарний, подвійний або потрійний);
- тип теплоізоляції;
- співвідношення площі підлоги та вікон (зазвичай від 10% до 50%);
- мінімальна температура зовні приміщення;
- число стін, які виходять назовні;
- характеристика приміщення, яке знаходиться на поверх вище (теплий або холодний горище, стандартне опалювальне приміщення);
- висота стель.
Схема підключення двоконтурного газового котла
Для прикладу можна навести розрахунок необхідної потужності для приміщення площею 30м2, де встановлено подвійний склопакет, теплоізоляція — погана, співвідношення площ вікон і підлоги — 30%, мінімальна температура зовні — -25C°, кількість зовнішніх стін — 4, вище приміщення знаходиться холодне горище, а висота стелі — 2,5 метра. У цьому випадку знадобиться прилад потужністю в 6,93 КВт.
Якщо будинок має велику площу, то краще використовувати відразу кілька котлів невеликої потужності, ніж один великий!
Тип димоходу
У приватному будинку можна застосовувати два типи димоходу: на природній тязі і закритий. Перший — набагато дешевше, однак закритий димар більш зручний. Для ліквідації продуктів горіння в них використовується вентилятор.
Такий димар може монтуватися не тільки в приватний будинок, але навіть і в квартиру багатоповерхового будинку. Великий і габаритний короб у разі використання такого димоходу монтувати немає необхідності (на це ще і можна заощадити). Загалом, другий тип димоходу, незважаючи на свою вартість, більш кращий.
Димоходи можуть мати зовсім різне пристрій
Виробник
Прийнято вважати, що найбільш якісні та настінні опалювальні котли виробляють у Фінляндії, Польщі та Німеччини. Серед найбільш затребуваних марок, реалізованих на території Митного Союзу, можна виділити наступні:
Сучасні котли можуть навіть стати доповненням до оформлення приміщення і навіть домінантою інтер’єру
- «Нева» (це марка вітчизняного виробника, як нескладно здогадатися з назви);
- «Арістон»;
- «Navien»;
- «Baxi»;
- Vaillant;
- Beretta.
При виборі виробника треба враховувати ще й такий момент: далеко не всі типи котлів можуть працювати в кліматичних умовах Росії (особливо турбовані або «турбо»). Мова йде не тільки про регіонах з досить суворим кліматом типу Крайньої Півночі, але й про середній смузі Росії. Клімат там переважно континентальний, який передбачає відносно жарке літо і холодну зиму.
Відповідно, якщо мова йде про обладнання закритого типу, необхідно враховувати і якість теплоносія. В іншому випадку може виявитися так, що сам по собі прилад — продуктивний і якісний, але поганий теплоносій, з наявністю включень, все зіпсує.
Ще одним важливим критерієм вибору є наявність пунктів сервісного обслуговування того чи іншого виробника. Наприклад, можна купити дуже дорогий американський чи японський, вартістю в кілька тисяч доларів, але якщо сервісних пунктів на території Росії немає — з подальшим ремонтом та чищенням можуть бути дуже серйозні проблеми.
Найдорожчими котлами зазвичай є фінські, німецькі та італійські
Увагу варто звернути й на те, чи має пристрій вузли, що працюють від електричної мережі. Котли мають таку специфіку: в разі навіть невеликих перепадів напруги, ламається рухоме реле.
Підключення повинен здійснювати фахівець, адже воно відбувається в 2 етапи:
Здійснити все це самостійно дуже складно, та й краще не ризикувати: можна здійснити з’єднання неакуратно, з-за чого газ поступово буде «спливати» назовні. Це може згодом призвести навіть до вибуху. Загалом — береженого бог береже, як свідчить народна мудрість.
Блок автоматичного управління
В сучасних двоконтурних котлах зазвичай встановлюють електронне табло (рідкокристалічний екран), за допомогою якого дуже зручно відстежувати роботу котла і проводити його налаштування (і опалення, і підігрів).
Блок автоматичного управління сучасних котлів може більше нагадувати невеликі настінні годинники, а може бути і громіздким
Втім, мають такі блоки автоматичного управління і свої суттєві недоліки:
- котли з наявністю подібних систем керування — на 20%-30% дорожче своєї вартості, як і їх установка;
- робота пристрою цілком і повністю залежить від наявності електричної енергії (якщо її немає, то налаштувати блок автоматично просто не вийде — а це загрожує неприємними наслідками);
- пристрій апріорі стає більш вразливим і часто ламається (лагодження може влетіти в «копієчку»);
- у багатьох іноземних котлах інформаційне табло не русифікований, що теж може створювати певні незручності для власника.
Схема пристрою блоку управління котлом досить складна
Пропозиція котлів на ринку та їх вартість
Середньостатистична вартість котлів на вітчизняному ринку перебуває в діапазоні від 650 до 1600 доларів (тут маються на увазі саме настінні двоконтурні котли, а не які-небудь інші).
Найбільш дорогими, але якісними вважаються німецькі марки Vaillant, які пропонуються в 2-х модифікаціях:
Важливо розуміти, що навіть найкращий котел без сервісних пунктів обслуговування може стати проблемою
Котли цієї марки, що реалізуються на російському ринку, мають свою особливість: у них встановлюється система датчиків, повністю ізольованих від рами. Більше того, вони мають рідкокристалічний дисплей і вбудований манометр (не цифровий, а аналоговий, правда). Вартість такого котла знаходиться в діапазоні від 1100 до 1600 доларів.
При виборі котла правило «чим дорожче — тим краще» не діє! Увагу треба звертати саме на технічну сторону питання!
Для двоконтурних котлів це досить велика ціна, проте котли цієї марки можуть похвалитися наступними перевагами:
- оснащені системою, що захищає контур від замерзання, що дуже актуально для суворої російської зими;
- багатокористувацький режим роботи (може працювати з використанням лише часткової потужності);
- автоматичний електронний розпал також присутній;
- є вбудована система контролю за технічною справністю (подає звуковий сигнал з повідомленням на екрані у разі виникнення будь-яких несправностей).
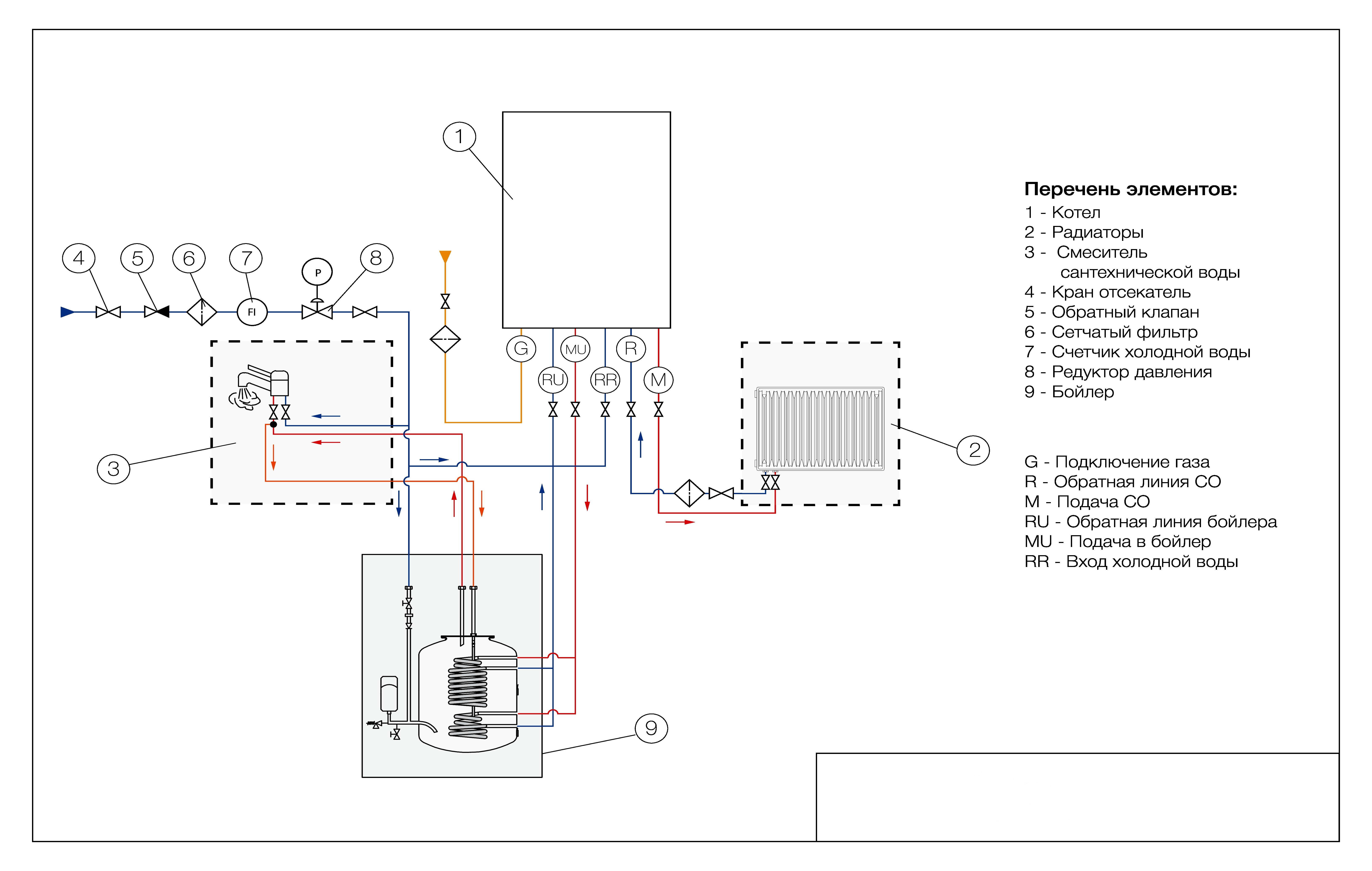
Схема обв’язки двоконтурного газового котла
Котли італійського виробника «Beretta» в середньому коштують дещо дешевше німецьких: до однієї тисячі доларів. Фахівці рекомендують цю марку котлів для використання в північних регіонах.
На заводах в Італії, до речі, виробляють настінні двоконтурні котли, в основному, для країн з більш-менш холодним кліматом (природно, що північне Середземномор’я туди не відноситься), так що боятися купувати пристрій, вироблене у сонячній Італії — не варто.
Він буде оптимальним варіантом за схемою «якість-ціна». Можна вибрати і російські котли, тільки ось відгуки за їх роботі не завжди позитивні.
Відео
Можете подивитися відеоролик про те, як правильно монтувати настінний газовий котел з двома контурами.
Внутрішнє пристрій газового настінного двоконтурного котла
Схема підключення двоконтурного газового котла
Схема пристрою блоку управління котлом досить складна
Схема обв’язки двоконтурного газового котла

