
Різноманітність застосування освітлюваного формату — дуже велика тема. Однак у своїй, так би мовити, рятівної іпостасі даний файловий стандарт повсюдно використовується в якості прошивочного ПО (програмне забезпечення). Про те, де і як застосовується Bin формат, а головне — як запустити і коректно реалізувати процес поновлення програмної прошивки того чи іншого обладнання і піде мова в цій статті.
Сьогодні ми розглянемо:
- 1 Початок: BIOS комп’ютера
- 2 Як запустити процес оновлення BIOS?
- 3 Критична незагружаемость БІОС мікросистеми: що робити?
- 4 Програмна реінкарнація «старого» телефону: що слід знати…
- 5 На завершення
Початок: BIOS комп’ютера

Швидше за все, вам, шановні читачі, відомо, що первинною інстанцією коригуючий правильну роботу обчислювального пристрою є базова мікросистема ПК — БІОС (докладніше про те, що таке BIOS і для чого він потрібен можна дізнатися з цієї статті).
В якийсь момент, згаданий комплекс мікропрограм, до речі, як і будь-яке інше вимагає від користувача проведення процесу оновлення. У критичних ситуаціях, наприклад, коли мікросистема в силу «затесавшейся помилки» не завантажується, без знань про того, чим відкрити bin файл прошивки зовсім не обійтися.
Прямо зараз ви, дорогі читачі, дізнаєтеся про основні прийоми, практичне застосування яких обов’язково допоможе вам у процесі оновлення прошивки BIOS, програмний контейнер якого часто обговорювана нами розширення BIN.
Як запустити процес оновлення BIOS?
В різних модифікаціях комп’ютерів, цей процес може реалізовуватись, так би мовити, по-своєму. Тим не менш певна стандартизація диктовану операції все ж простежується, ознайомтеся з прикладом зазначеному нижче.

- З офіційного сайту виробника комп’ютерної техніки необхідно завантажити прошивку BIOS (рекомендується завантажувати останню версію програмного продукту).
- Далі BIN файл з прошивкою записують на носій інформації певного типу: CD/DVD диск, флешку або зовнішній накопичувач HDD (найбільш коректний спосіб оновлення).
- Після примусового перезавантаження комп’ютера, користувачеві потрібно увійти в BIOS (неможливість виконання даної процедури також буде описано в цій статті), і задіяти розділ, функціонал якого має в своєму розпорядженні засобами для оновлення базової мікросистеми (як правило, це спеціалізована програма флешер).

Дуже проста в розумінні програма прошивальщик досить швидко виробляє заміну програмного коду BIOS. В кінцевому підсумку (по завершенню прошивки) користувачу залишається лише одне — перезавантажити ПК і провести ряд оптимізаційних дій згідно власного розсуду, яким чином повинен працювати комп’ютер.
Критична незагружаемость БІОС мікросистеми: що робити?

Трапляється і таке: при запуску комп’ютера користувач взагалі не може нічого зробити — чорний екран (докладніше про непривабливу симптомі написано тут)… В такій ситуації користувачеві залишається лише одне — звернення в спеціалізовану майстерню за допомогою. Однак сміливі і рішучі можуть спробувати виправити критичну ситуацію наступним чином:
- Скористатися вбудованим функціоналом материнської плати (більшість сучасних комп’ютерів оснащені спеціальними USB портами для відновлення програмного коду БІОС мікросистеми без залучення штатних засобів базової середовища BIOS).
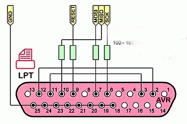
- В деяких випадках, можна власноруч виготовити примітивний LTP-програматор, за допомогою якого можна безперешкодно перепрограмувати БІОС мікросхему.

До речі, останній варіант, незважаючи на специфічну притязательность до безпосереднього процесу виконання в плані «Ви повинні бути досвідчені і володіти масою спеціалізованих знань», все ж досить простий у виконанні навіть руками новачка. Однак «почитати, і дещо вивчити» все ж доведеться. Схема програматора наведена вище, а процес взаємодії з відповідним флешером ви з легкістю знайдете в мережі Інтернет самостійно.
Програмна реінкарнація «старого» телефону: що слід знати…

Тут все не так просто, як у випадку з ПК. Оскільки BIN файл прошивки для телефонів повинен відповідати багатьом апаратним причастностям: модель стільникового пристрої зв’язку, тип встановленої флеш пам’яті і іншим дуже важливим технічним аспектам «ідентичності». Загалом, тема є дуже багатогранна і досить «заплутана» в плані «Вийде чи не вийде». Однак при достатньому вивченні питання все реально здійснимо навіть руками школяра початкових класів.
На завершення
Що ж, як бачите відкрити BIN файл прошивки, а також скористатися «його корисністю» можна тільки знаючи його «загальну історію приналежності». До речі, іноді почерпнути інформацію «причетності загадкового файлу» можна з допомогою стандартного Windows-блокнота.
Отже, тепер справа за вами, шановні друзі, що робити далі?.. Втім, мудрі завжди вибирають спочатку шлях пізнання і тільки після — практичне застосування отриманих знань! Ну, а, досвід…завжди залишається з Вами, як безцінної нагороди. Благополучних рішень вам, друзі!


